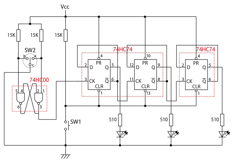
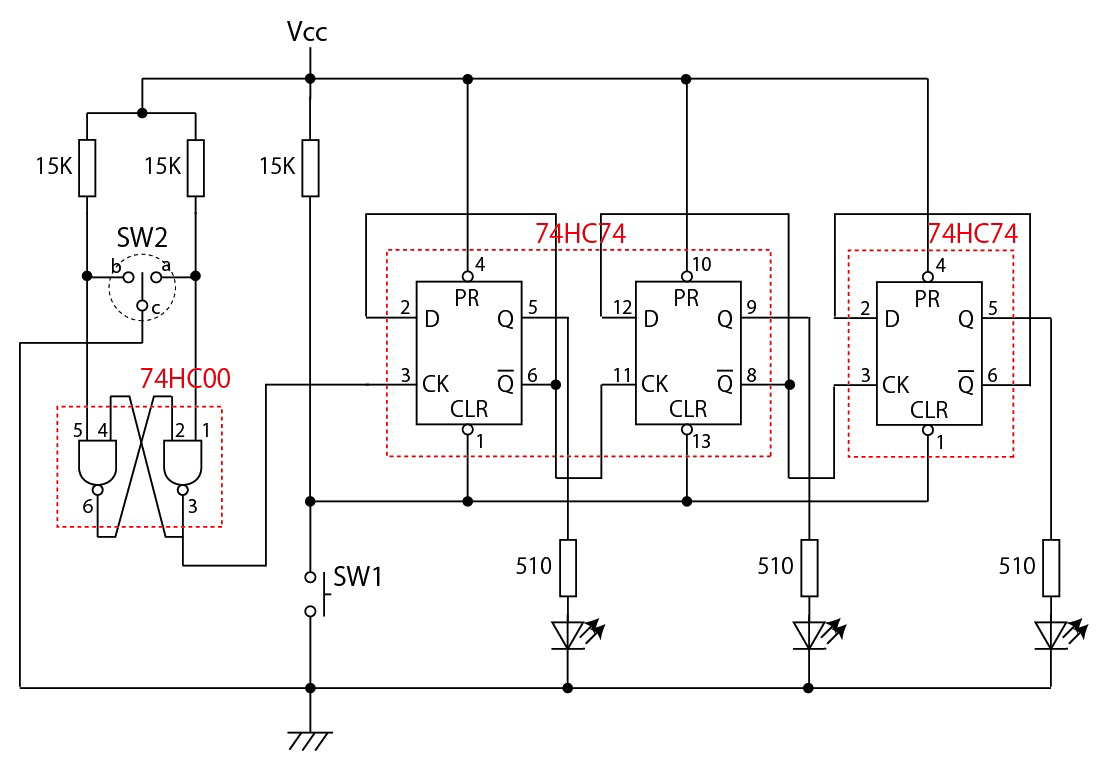
Up 2進カウンタ (3ビット) 作成: 2021-01-14
更新: 2021-01-14


    アドウィン (2004) を使って作成。
掲載の回路図 (p.23) を, (SW2 の配線間違いの訂正を含め) 見やすい形に書き改め:





    ちなみに製作キットは,もう20年近く放ったらかしにしていたのをこの度引き出してきたものである。
    この間冬の零下20度に曝されていたり,そしていまは冬の乾燥した室内でぞんざいにいじくり回しているのだが,静電気対策を特に強調されるチップを始め,健在であった。


  • 引用文献
    • (株)アドウィン (2004) :『キットで遊ぼう 電子回路シリーズ No.4 : ディジタル回路編 vol.2』, アドウィン, 2004.






"; ?>